voltar pagina inicial

Analise  de  Circuitos em Corrente Continua  
Aula018:
Teorema de Norton 


Bibliografia: 
Analise de Circuitos em Corrente Continua - Rômulo O. Albuquerque - Editora Érica
Analise e Simulação de Circuitos no Computador - MultSIM2001 - Rômulo O. Albuquerque - Editora Érica

 Enunciado Cálculo da Resistência de Norton Cálculo da Corrente de Norton  Experiência17

1. Enunciado

Assim como o teorema de Thevenin, o de Norton é um método de simplificação de circuitos, só que ao invés de substituir o circuito por um gerador de tensão, o circuito será substituído por um gerador de corrente.

Enunciado: "Dado um circuito linear  e dois pontos do circuito. Entre esses dois pontos o circuito pode ser substituído por uma fonte de corrente  em paralelo com uma resistência".   ( inicio )

Na figura1a temos um circuito  composto de vários elementos lineares, e dois pontos A e B desse circuito. À direita na figura1b temos o circuito Equivalente      Norton     composto de uma fonte de corrente (IN) em paralelo com   uma resistência (RN).

Fig01: Circuito elétrico ( a )  e seu equivalente Norton ( b )   

 

RN é a resistência equivalente de Norton,  e IN é  o gerador de Norton ou fonte de corrente equivalente de Norton.
Observe que a resistência de Norton é igual à de Thevenin

 Consideremos um exemplo para deixar mais claro. Seja o circuito da figura2. Primeiramente iremos calcular a resistência de Norton.

Fig02: Circuito elétrico - aplicando Norton entre A e B 


2. Calculo de RN

RN    é calculada determinando a resistência equivalente entre os pontos A e B quando os geradores de tensão da  figura1a  são eliminados ( colocados em curto circuito ) e as fontes de corrente são colocadas em curto circuito( abertos ).

Fig03: Determinando a resistência de Norton     ( Inicio )

A figura3 mostra o circuito  modificado para determinar a resistência de Norton, e de acordo com o circuito  RN=2K.
 
 3. Cálculo de IN

IN é determinando  curto circuitando  os pontos A e B na figura2, e em seguida determinando-se a corrente nesse curto circuito.   A seguir o circuito para essa situação.

Fig04: Determinando a corrente de Norton     ( Inicio )

Substituindo  o circuito pelo seu equivalente Norton resulta o circuito da  Fig05 a seguir .

Fig05:Equivalente  Norton do circuito da Fig02

 

 

4. Experiência 017 - Teorema de Norton

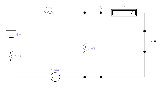
1) Abra o arquivo ExpCC017 e identifique o circuito  da Fig06. Ative-o. Anote o valor da corrente que circula em RL.
IL=_______

Fig06:Circuito para item 1 da experiência 017     ( Inicio )

2) Abra o arquivo ExpCC017b e identifique o circuito da Fig07. Ative-o, anotando a corrente no curto circuito entre A e B  na Fig06.    Essa corrente é a corrente equivalente de Norton .
IN=_________

Fig07:Circuito para item 2 da experiência 017b - Medida da corrente de Norton       ( Inicio )

3) Abra o arquivo ExpCC017c e identifique o circuito da Fig08. Ative-o, anotando a resistência equivalente entre A e B. Observe que o gerador de tensão deve estar em curto e o de corrente em aberto. Essa resistência é a resistência equivalente de Norton.
RN=______

Fig08:Circuito para item 3 da experiência 017c - Medida da resistência de Norton

4)  Abra  o arquivo ExpCC017d, e identifique o circuito da Fig09. A carga está conectada com o equivalente Norton. Ative o circuito anotando o valor da corrente  na carga.
IL=__________

                    ( Inicio )

Fig09:Circuito para item 4 da experiência 017d - Medida da corrente usando o equivalente   Norton

5. Conclusões:

voltar pagina inicial


Fim da Página