voltar pagina inicial

Analise  de  Circuitos em Corrente Continua  
Aula20: Instrumentos de Ponteiro - Voltímetro 

Bibliografia: 
Analise de Circuitos em Corrente Continua - Rômulo O. Albuquerque - Editora Érica
Analise e Simulação de Circuitos no Computador - MultSIM2001 - Rômulo O. Albuquerque - Editora Érica

Circuito do voltímetro   

Exercícios Resolvidos Exercícios  Propostos Experiência 19

 

1. Voltímetro

O voltímetro analógico também é construído a partir de um galvanômetro.  Dado um galvanômetro de resistência interna RiG e fim de escala IGM, a máxima tensão que pode ser aplicada á sua bobina é:  UGM = RiG.I.
O problema   a ser resolvido é:  a partir desse galvanômetro construir um voltímetro que tenha um fundo de escala UT   > UGM  


Fig01: Galvanômetro com resistência interna ( a ) RIG - Galvanômetro com multiplicador em serie  ( b ) - Voltímetro  de resistência interna RiV                                                                                           ( Inicio )

  Para construir um voltímetro que meça até    UT,  sendo UT > UGM deveremos colocar em série com o Galvanômetro um resistor       RM ( multiplicador )  como na Fig1b, de forma que  :

UT = ( RM + RiG ).IGM     daí     tiramos :          

UT é o novo fim de escala,   RiG é a resistência interna do Galvanômetro e  IGM é o fim de escala do Galvanômetro.
A resistência interna do voltímetro será :  RiV  = RM + RiG

2. Exercícios Resolvidos

2.1) Projetar  um Voltímetro que meça até 5V a partir de um  Galvanômetro que tem  RiG = 200W e  IGM = 1mA.

                                                              

                                                                                                                                                              ( Inicio )

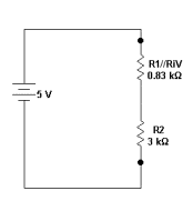
2.2) Usando o voltímetro construído em 2.1,   medir as tensões U1 e U2  no  circuito.
Calculado Medido
U1 U2 U1 U2
       

Calculado( teórico ):

Medido: para medir, inserimos o voltímetro em paralelo com os dois pontos entre os quais queremos medir a tensão, alterando o circuito portanto,  pois estamos colocando  a resistência interna do voltímetro em paralelo.
  ( Inicio )

Para calcular a tensão em R1 considerando o efeito de carga do voltímetro usamos a expressão do divisor de tensão.

                   

  Fazendo o mesmo para  a tensão em    R2:

  Conclusão: Para que o valor medido fosse igual ao valor teórico  o voltímetro deveria ser ideal e ter   resistência interna infinita .  ( Inicio )
2.3) Um multímetro tem as escalas  6V/12V/60V. Sabendo-se que  a sensibilidade do instrumento usado é de 20KOhms/V, qual a resistência interna do voltímetro para cada  escala ?

  logo   RiV = S.UMáx

Fim de escala  6V:    RiV =20KW/V .6V = 120KW
Fim de escala  12V:  RiV = 20K
W/V.12V = 240KW
Fim de escala  60V: RiV = 20K
W/V.60V = 1200kW = 1,2MW


3. Exercício Propostos  ( Inicio )

3.1)    Dispõe-se de um  Galvanômetro de resistência interna  200Ohms  e  50mA de fim de escala.
a)   Projetar um amperímetro de fim de escala 2mA
b)  Qual a resistência interna desse amperímetro ?
c)  Use esse amperímetro para medir  a corrente em um  circuito que tem  uma fonte de 1V ligada a uma resistência de 500Ohms. Qual o erro percentual cometido ?

  3.2)  Usando o galvanômetro do exercício 1  projete um voltímetro que meça  até 5V. Qual a resistência interna desse voltímetro ? Usando esse voltímetro meça as tensões  U1 e U2 em cada  circuito e calcule o erro percentual.

3.3) Um galvanômetro tem sensibilidade  de 100KOhms/V e 500Ohms de resistência interna. Pede-se:
a)  Projetar um amperímetro que tenha  fundo de escala 5 vezes  o do galvanômetro.
b)   Projetar um voltímetro  que tenha um fim de escala 10V .
c) Usando o voltímetro  do item 3.3b medir as tensões  nas resistências dos  circuitos 1 e 2 a seguir, preenchendo a tabela em cada caso.

 Circuito 1

 Circuito 2

Tabela para exercicio2- circuito1 Tabela para exercicio2 - circuito2
Calculado Medido
U1 U2 U1 U2
       
erro percentual%

U1%=

U2%=
Calculado Medido
U1 U2 U1 U2
       
erro percentual%
U1%= U2%=
Tabela para exercicio3b - circuito1 Tabela para exercicio3b - circuito2
Calculado Medido
U1 U2 U1 U2
       
erro percentual%

U1%=

U2%=

Calculado Medido
U1 U2 U1 U2
       
erro percentual%
U1%= U2%=

4. Experiência 19 - Voltímetro

4.1) Para o  circuito a seguir, calcule a tensão  em R2 e  anote os valores na tabela1, como U2(Calc).  Abra  o arquivo ExpCC019 e ative-o. Anote o valor da tensão na tabela 1 para cada caso. Dê duplo clique no ícone do voltímetro e anote na tabela1 o valor da resistência interna em cada caso.

Tabela1

Calculado Medido Caso1 Medido Caso2 Medido Caso3
U2 U2 RiV U2 RiV U2 RiV
             

4.2) A tensão U2 nos circuitos é medida com o mesmo voltimetro (RiV=1MOhm). Para cada caso anote o valor calculado da tensão que o voltímetro irá medir. Em seguida abra o arquivo ExpCC020. Ative-o.  Anote na tabela2 os valores medidos da tensão em R2. Existem diferenças ? Por que ?

Tabela2

Tensão em R2- Caso1 Tensão em R2- Caso2 Tensão em R2- Caso3
Calculado Medido Calculado Medido Calculado Medido
           

4.3) A partir dos resultados das duas tabelas que  conclusão você pode tirar a respeito da medida de uma tensão caso o voltímetro tenha um valor de resistência ? Em que caso a leitura sempre será igual ao valor teórico ?

4.4) Conclusões

voltar pagina inicial


Fim da página