voltar
pagina inicial
Analise
de Circuitos em Corrente Continua
Aula21:
Ohmímetro Série - Ponte de Wheatstone
Bibliografia:
Analise de Circuitos em
Corrente Continua - Rômulo O. Albuquerque - Editora Érica
Analise e Simulação de Circuitos no
Computador - MultSIM2001 - Rômulo O. Albuquerque - Editora Érica
| Ajuste do Zero | Exercício Resolvido | Experiência20 | |
| Ponte de Wheatstone | Condição de Equilíbrio | Exercício Proposto |
1. Ohmímetro
1.1. Ohmímetro Série
Dos instrumentos analógicos usados em um multímetro o ohmímetro é o único que precisa ser energizado. A Fig1 mostra o circuito básico de um ohmímetro série.
|
|
|
|
Fig01: estrutura básica de um ohmímetro serie analógico. ( Inicio ) |
No circuito acima para cada valor de corrente
existe um único valor de Rx , relacionados pela equação:
| ou |
Para calcular o valor de E e de R precisamos
montar duas equações relacionando
as duas variáveis.
Uma equação é obtida
impondo que para RX
= 0 a corrente no instrumento será igual à de fim de escala IGM.
Obs: fazer RX
= 0 é a operação chamada de zerar o ohmímetro, e deve
ser feita obrigatoriamente toda vez que o ohmímetro for ser usado ou
quando da mudança de escala . Observe que fazer isto significa
estabelecer o zero. Na prática, o ajuste do zero é feito através de um potenciômetro
no painel do multímetro.
| Zerando o ohmímetro | ||
![]() |
Rx=0 | ![]() |
|
Fig02: ohmímetro série zerado ( RX = 0 ) ( Inicio ) |
||
A equação resultante para essa condição é: E = ( R + RiG ).IGM nesta equação são conhecidos RiG e IGM, devemos portanto escrever outra equação relacionando entre si E e R. Esta outra equação é obtida impondo-se que, quando RX for igual à um determinado valor que chamaremos de resistência de meio de escala ( RDME ) a corrente no circuito será igual a IGM / 2, isto é, o ponteiro para no meio da escala. Esta condição está indicada na figura3.
![]() |
![]() |
|
Fig03: Ohmímetro série definindo a marca de meio de escala ( Inicio ) |
|
A equação para essa condição é:
E = ( R + RiG + RDME ).IGM
/ 2
Essas duas equações constituem um sistema de duas equações e duas incógnitas,
podendo ser resolvida facilmente
A outra marca importante corresponde à condição
de circuito aberto
RX infinita . Observe que
a escala de resistência é o contrário da escala de corrente, e mais
a polaridade da bateria interna é o contrário da polaridade indicada
externamente, isso se deve à necessidade de se usar o mesmo Galvanômetro para
medir corrente, tensão e resistência.
2. Exercício Resolvido ( Inicio )
2.1) Projete um ohmímetro
usando um amperímetro de 3mA de fim de escala e RiA = 200W e
que tenha
RDME =1KW
Para RX = 0 IX
= 3mA
![]() |
Equação obtida do circuito:
( 1 ): E = ( R + 200 ).3mA
Para RX = RDME = 1KW IX =
1,5mA
![]() |
( 2 ): E = ( R + 200+ 1000 ).1,5mA
Igualando as equações ( 1 ) e ( 2 ):
( R + 200 ).3mA = ( R + 200+ 1000 ).1,5mA obtemos
R =0,8K e
substituindo esse valor
em uma delas resulta : E
=3V. O circuito final está representado a
seguir. ( Inicio )
|
|
|
Fig04: Ohmímetro projetado, com indicação de 1,5mA (Rx=1K) |
A seguir a escala do ohmímetro com algumas marcas.
![]() |
3. PONTE DE WHEATSTONE ( Inicio )
A ponte de Wheatstone é basicamente usada para medir resistência, mas pode ser usada na medida de qualquer grandeza física contanto que exista o transdutor adequado. O circuito básico está indicado na Fig04. Desconsiderando por um momento o instrumento, este circuito pode ser entendido como sendo dois divisores de tensão, ABD e ACD, ligados em paralelo e a uma fonte de tensão E. As tensões nos pontos B e C podem ser escritas como sendo:
|
|
|
|
|
|
|
|
Fig05: Ponte de Wheatstone |
Obtenhamos a condição para que estas duas tensões sejam iguais, desta
forma ao inserirmos o instrumento entre os pontos C e B nenhuma corrente passará
através dele. Esta condição ocorrerá quando:
UC = UB
|
|
= |
|
ou quando |
|
= |
|
simplificando resulta |
|
ou |
|
que é a condição de equilíbrio da ponte |
Dizemos que nestas condições a ponte está balanceada se R1 = R3 e R4 = RX ( resistência desconhecida ). Se no lugar de R2 colocamos um potenciômetro ou uma década resistiva, no equilíbrio o valor de RX = RV desta forma poderemos ler o valor de RX diretamente em uma escala. ( Inicio )
|
|
|
Fig06: Potenciômetro da ponte com escala graduada para medida de resistência |
| Se na Fig04 R1 = 10. R3 | neste caso poderemos usar valores de resistência bem maiores |
do que no caso em que R1 = R3.
Da mesma forma se R1 = R3 /10 poderemos medir valores de resistência bem menores do que no caso em que R1 = R3
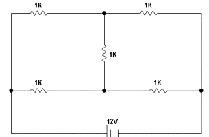
4.
Exercício
Proposto
![]() |
![]() |
4.2) Calcular a intensidade da corrente fornecida pelo gerador no circuito.

4.3) Calcular o valor de R para que a ponte fique em equilíbrio.

4.4) Calcule a resistência equivalente entre os pontos A e B e a intensidade da corrente em todas as resistências no circuito.

4.5) Um condutor cuja resistência varia de acordo com a lei : R = 1000 + 10.T , onde R é a resistência do condutor em W e T a temperatura em ºC. Para que temperatura a Ponte de Wheatstone é equilibrada ?

5. Experiência020- Ohmímetro Série
5.1) O Ohmímetro a ser analisado é o do exercício resolvido. Abra o arquivo ExpCC020 e identifique o circuito a seguir.
![]() |
( Inicio ) |
5.2) Para cada valor de RL da tabela, anote o valor da corrente medida pelo amperímetro. A partir dos valores de RL e I, desenhe uma escala graduada em Ohms.
| RL(Ohms) | 0 | 100 | 250 | 500 | 1K | 2K | 4K | 10K | 15K |
| I(mA) |
5.3) Cite uma desvantagem desse tipo de ohmímetro.
5.4) Conclusões
6. Experiência021- Ponte de Wheatstone
6.1) Abra o arquivo ExpCC021 e identifique o circuito a seguir. Neste circuito, que é uma ponte de Wheatstone, a chave P permite escolher entre ativar a ponte, colocando o potenciômetro de 5k no circuito, ou medir a resistência do potenciômetro ( Colocando a chave para cima ). Com o potenciômetro no circuito, escolha uma das resistências ( Rx1 ou Rx2 ). Para equilibrar a ponte varie a resistência ( tecle em R ou em R+shift , para aumentar e diminuir respectivamente o potenciômetro). O amperímetro indicará quando a ponte estiver equilibrada IA=0). Quando se estabelecer o equilíbrio, mude a posição da chave P para cima ( use a tecla P ) e anote a indicação do Ohmímetro, esse será o valor de Rx. Repita para o outro valor de Rx.
![]() |
( Inicio ) |
Rx1=________ Rx2=_______
6.2) Conclusões:
Fim da página